一、小序
流延薄膜具有优越的热封性能和优良的透明性,,,,是主要的包装复合基材之一,,,,用于生产高温蒸煮膜、真空镀铝膜等,,,,市场极为看好。。。。。。随着海内流延膜市场的需求提升,,,,先进的流延膜机也有了辽阔的市。。。。。。,,,自动化的流延膜生产线有着灼烁的远景。。。。。。
流延膜挤出机通过加热质料,,,,挤压质料浆,,,,压制冷却,,,,收卷包装等历程,,,,将质料颗;;;;;;蚍勰┘庸こ闪餮幽げ。。。。。。
二、控制要求
差别质料的添加量控制
模头加热温度监控与调理
牵引辊、冷却辊、压花辊同步
收卷张力反响、调理
凭证收卷长度举行切割、换卷控制
三、控制计划

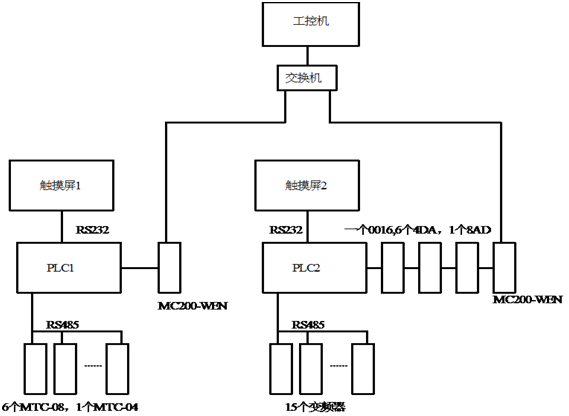
因该生产线较量长(穿过三个房间),,,,本系统把加热部分和传动部分划分举行单独控制。。。。。。加热部分通过外地触摸屏自力控制加热,,,,传动部分则通过外地触摸屏举行单动和联动操作。。。。。。
同时,,,,在中控室里通过尊龙凯时电气公司的组态软件 ViewPanel 对整个流延膜控制系统举行操作。。。。。。加热、传动、中控室之间接纳以太网的方法举行通讯。。。。。。
传动系统: PLC 控制变频器,,,,调理喂料电机的转速,,,,实现质料添加量的控制。。。。。。调理转速坚持牵引辊、冷却辊、压花辊的同步。。。。。。
加热系统:通过 MTC 温控模???榭刂普逦沽稀⒓烦龅鹊奈露。。。。。。 MTC 自带 PID 控制,,,,可准确、利便的控制50路温度。。。。。。






四、总结
1 、MC200系列PLC盘算速率快,,,,稳固性高。。。。。。
2 、子程序功效,,,,无需将程序全放在主程序中完全扫描,,,,镌汰了程序调试周期以及扫描时间。。。。。。
3 、通过标准 Modbus 网络控制变频器,,,,降低本钱,,,,抗滋扰性好。。。。。。
4 、 ViewPanel 是一款尊龙凯时电气组态软件,,,,与尊龙凯时电气 MZ600 系列触摸屏无缝毗连。。。。。。即 ViewPanel 与 MZ600 触摸屏共用 View Builder 开发平台。。。。。。设计者编辑好界面后,,,,可自由选择使用触摸屏或是使用组态软件来运行控制,,,,而无需重复设计界面。。。。。。
5 、 MTC 是一款尊龙凯时电气自主研发的温度控制器,,,,自带 PID 自整定和多段温度控制功效,,,,控温精度高。。。。。。